下一期港彩二四六预测,2025新版跑狗图,2025今晚跑狗图

港彩二四六开奖免费开奖,376969跑狗论坛23236全年,一肖一码免费,公开2025年,2025澳门歇后语大全及答案,港彩二四六下一期预测

产品中心PRODUCT CENTER 始终坚持自主研发及创新,提供更好更快捷的智能自动化产品
当前位置:首页产品中心全自动圆瓶贴标机

产品详情

PRODUCT DETAILS
  • 全自动圆瓶贴标机

    全自动圆瓶贴标机

    对于食品、医药、日化等行业中不同尺寸的圆柱形产品的智能贴标;伺服或德国原装进口贴标引擎的可选来满足不同客户的需求;对于单机操作可选择进料和收料转盘,从而提高生产效率;设备整体材质均为国际标准S304不锈钢及进口铝合金材质、双层阳极氧化处理,不生锈及变形。

    立即定制 获取报价与方案
  • 全自动圆瓶贴标机

    全自动圆瓶贴标机

    对于食品、医药、日化等行业中不同尺寸的圆柱形产品的智能贴标;伺服或德国原装进口贴标引擎的可选来满足不同客户的需求;对于单机操作可选择进料和收料转盘,从而提高生产效率;设备整体材质均为国际标准S304不锈钢及进口铝合金材质、双层阳极氧化处理,不生锈及变形。

    立即定制 获取报价与方案
  • 全自动圆瓶贴标机

    全自动圆瓶贴标机

    对于食品、医药、日化等行业中不同尺寸的圆柱形产品的智能贴标;伺服或德国原装进口贴标引擎的可选来满足不同客户的需求;对于单机操作可选择进料和收料转盘,从而提高生产效率;设备整体材质均为国际标准S304不锈钢及进口铝合金材质、双层阳极氧化处理,不生锈及变形。

    立即定制 获取报价与方案
  • 全自动圆瓶贴标机

    全自动圆瓶贴标机

    对于食品、医药、日化等行业中不同尺寸的圆柱形产品的智能贴标;伺服或德国原装进口贴标引擎的可选来满足不同客户的需求;对于单机操作可选择进料和收料转盘,从而提高生产效率;设备整体材质均为国际标准S304不锈钢及进口铝合金材质、双层阳极氧化处理,不生锈及变形。

    立即定制 获取报价与方案
  • 全自动圆瓶贴标机
  • 全自动圆瓶贴标机
  • 全自动圆瓶贴标机
  • 全自动圆瓶贴标机

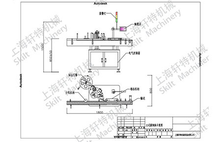
技术参数

详情介绍


型号 PLM
产量(件/分钟) 50-200件/分钟(与物料及标签尺寸有关)
操作方向 左进右出或右进左出
贴标精度 ±1.0 mm
标签类型 不干胶标签,透明或不透明
卷标内径 76 mm
卷标外径 350 mm(max)
标签尺寸 长度10-300mm,高度10-250mm
贴标物体尺寸 直径20-100mm,高度30-260mm
工作气压 0.6Mpa
电源及功率 220VAC±10% 50Hz,0.6Kw
适用环境 温度5-40℃,湿度15-85%(无冷凝)
重量(kg) 200kg
机器尺寸 1800(L) 800 (W) 1500 (H) mm
可选贴标引擎
备注 可接受非标定制




  基本用途:

  用于食品、医药、日化等行业中不同尺寸的圆柱形产品的智能贴标


  产品特点:

  伺服或德国原装进口贴标引擎的可选来满足不同客户的需求;

  对于单机操作可选择进料和收料转盘,从而提高生产效率;

  设备整体材质均为国际标准S304不锈钢及进口铝合金材质、双层阳极氧化处理,不生锈及变形;

  贴透明标签不起泡,不干胶标签无褶皱;

  分瓶机构采用大硅胶轮分瓶,使瓶子等距的进入到贴标处,稳定和精准;

  卷标机构选用可拆卸塑带或工业同步带使标签附着更牢靠;


  操作系统:

  多功能人机操作界面、生产计数、参数调整等可视化监控,具有丰富的帮助功能和故障显示功能;

  可自动检测标签长度等功能;


  可选配:

  灵活选配热烫印字机或喷码机等配置;

  透明和不透明标签的专用传感器;

  后端可配置收料转盘;

  条码检测、有无标签检测、剩余标签报警功能;

参考

REFERENCE RESOURCES

圆瓶贴标机相关知识推荐

OTHER NEWS

 立式圆瓶自动贴标机采用不干胶卷筒贴标纸,贴标采用滚贴方式完成贴标签的过程,不干胶贴标机具有清洁卫生、不发霉,贴标后美观、牢固、不会自行脱落,生产效率高等优点

1、贴标平整、不起皱、无气泡,贴标精度高、稳定性好;2、功能强大,通过旋钮控制,即可实现圆周定位贴标(圆周面指定位置贴标),圆周非定位贴标;3、适用产品范围广,可满足¢12-¢120mm范围内的圆周定位与非定位贴标;

 全自动卧式圆瓶贴标机属于圆瓶贴标机,适用于站立不稳的圆柱形物体圆周、半圆周的贴标,采用卧式传送、卧式贴标的方式,增加稳定性,提高贴标效率。今天我们轩特自动贴标机厂家就来跟大家说说有关全自动卧式圆瓶贴标机在调试过程中的一些问题总结

1、 一、基本用途:用于食品、医药、日化等行业中不同尺寸的圆柱形产品的智能贴标;二、产品特点:伺服或德国原装进口贴标引擎的可选来满足不同客户的需求;对于单机操作可选择进料和收料转盘,从而提高生产效率;

 圆瓶贴标机广泛应用于各个领域。许多出产商都选择现代化的圆瓶贴标机为自己出产的商品穿上标签。但是对于很多不懂机械的人来说使用过程中不会进行维护,就会造成机器寿命的减少以及影响工作效率。所以今天我们就来给大家分享几点有关圆瓶贴标机的维护注意事项

 全自动圆瓶贴标机适用于制药、食品、日化等行业的圆瓶贴标,可贴全周贴标和半圆周贴标。可选配自动转盘理瓶机,可直接连接前端生产线,自动送瓶进入贴标机,增加效率。可选配配置色带打码贴标机,可在线打印生产日期和批号,减少瓶子包装工序,提高生产效益。

 设备整体材质设备整体材质为国际标准S304不锈钢/进口合金材质、双层阳极氧化处理,不生锈及变形,耐腐蚀性高且适用于任何生产环境。即可单机操作,也可连线操作

 大力开发配套设备,使主机的功能得到最大的扩张,是提高设备品牌的市场竞争力和经济性至关重要的因素。只重视主机生产,而不考虑配套设备完整,将使全自动圆瓶贴标机应有的功能不能发挥出来。

 全球知名品牌的PLC及伺服出标系统,多功能人机操作界面、生产计数、参数调整等可视化监控,具有丰富的帮助功能和故障显示功能;可预设多组贴标参数、变更瓶子时无须重新设定;可自动检测标签长度等功能

 如今贴标机在包装行业的作用是越来越明显了,同时也正是因为贴标机的贴标精度以及稳定性这些强大功能使得它广受欢迎,接下来我们就以全自动圆瓶贴标机为例,来跟大家介绍介绍全自动圆瓶贴标机的强大功能

 圆瓶贴标机将商品信息以美的形式展现在消费者面前,不仅让消费者了解这个商品的重要信息,还能够让消费者对这个商品独特的包装产生深刻的印象。因此,圆瓶贴标机成为贴标机行业的主流产品是不容置疑的。同样圆瓶贴标机的在如今的发展中使用也是非常广泛,接下来就来给大家做介绍:

  圆瓶贴标机、自动圆瓶贴标机是正式使用之前,需要经过调试才能适用于正常使用,高效贴标。但是当我们新手第一次使用进行调试时,难免会遇到一些问题,所以我们今天就来给大家总结有关圆瓶贴标机在调试过程中常会遇到哪些问题呢?

 圆瓶贴标机分为半自动上糊圆瓶贴标机和全自动不干胶圆瓶贴标机。可以在圆柱形物体圆周、半圆周的贴标,同时也可在圆瓶上下不同部位贴标,适用于不同两种标签;适用产品直径φ25mm~φ100mm,高度:25mm~230mm,贴标精度可达±1mm。

  圆瓶贴标机主要是运用于医药,日用化工等行业,因为这些行业对于圆柱形的瓶产品有着比较大的需求,比如不少药品都是需要圆瓶来装置的,日用化工类的产品也是如此。因此,这类型的产品使用此种贴标机是最为合适的。使用这种贴标机,可以进行高速度的贴标动作,同时能够对各种尺寸范围的产品贴标,效率非常地高

 可满足制药行业中口服液、采血管,文具用品如笔杆、浆糊笔,食品行业中如火腿肠等不能战立的细小圆形物体的全周或者半周的自动化贴标要求;

 全自动卧式圆瓶贴标机适用于站立不稳的圆柱形物体圆周、半圆周的贴标,例如口服液瓶、笔杆、唇膏等。采用卧式传送、卧式贴标的方式,增加稳定性,提高贴标效率

 一、开机操作:1、打开设备的电源开关,一般是位于机柜右侧。2、旋转压缩空气的开关至开位,如果是配印字机使用时,要调整设备的气压为0.5~0.6Mpa。3、在圆瓶贴标机的触摸屏控制器上进行点击后进入到正常的操作页面

 全自动卧式圆瓶贴标机适用于站立不稳的圆柱形物体圆周、半圆周的贴标,采用卧式传送、卧式贴标的方式,增加稳定性,提高贴标效率。

 圆瓶贴标机在贴标的过程中容易产生静电,静电对机械有一定的危害,容易造成故障,尤其是在冬天比较干燥的时候,摩擦容易产生静电,贴标机产生静电会影响贴标效果,严重的还会造成机械损坏,想要安全稳定的进行贴标,就要想办法解决这个问题。

 圆瓶自动贴标机主要采用微处理回路控制系统,使用触摸式人机介面,适用于在产品侧平面、侧面大弧度面、方形周面上,自动贴附不干胶标签、不干胶膜。接下来我们具体来给大家介绍介绍有关圆瓶自动贴标机的特点

 随着市场的高速发展,企业更加注重机械设备的质量和承受能力,更注重机械的出产功率以及性能等问题。

 圆瓶贴标机广泛应用于各个领域。许多出产商都选择现代化的圆瓶贴标机为自己出产的商品穿上标签。然而许多出产商并不认识机械,学会了操纵圆瓶贴标机,但是却忽略了对圆瓶贴标机的日常保养

 圆瓶贴标机采用不干胶卷筒贴标纸,贴标采用滚贴方式完成贴标签的过程,不干胶贴标机具有清洁卫生、不发霉,贴标后美观、牢固、不会自行脱落,生产效率高等优点。接下来就来听听我们上海轩特贴标机厂家来详细为大家介绍介绍圆瓶贴标机

 圆瓶自动贴标机在我们很多厂家中使用非常广泛,今天我们就来跟大家说说有关圆瓶自动贴标机在使用过程中的保养事宜

在线咨询

联系我们

咨询热线

400-8216-810

关注微信

返回顶部

主站蜘蛛池模板: 不能充钱的网络游戏| 澳门彩资料大全书2024年| 二四六天天彩免费资源大全| 2021年澳门精准免费资料大全 | 98版哥斯拉高清在线观看| 踏火行歌免费版电视剧在线观看| 澳门二四六天天彩二四六| 等候董建华发落| 大件寄送用什么物流| 不用会员的追剧神器app| 电视剧黎明之前免费全集播放星辰| 内部精准一码一肖| 澳门精准资料免费手机网| 阿波罗13号| 澳门精准资料查询大全免费| 2024年澳门200期资料| 2024澳门天天开好彩资料l | 2025新澳门精准正版图库网站| 2024澳门天天开好彩大全开奖记录127期| 老澳门开奖结果,开奖结果查询 | 老澳门资料大全正版资料2024年免费 | 1998年北美电影票房排行榜| 2021年免费正版资料| 我在六十年代工作赚钱养绿茶| 2023澳门特马今晚开奖56期的| 成人用品店贩卖机| 2023年澳门精准全年资料大全| 2024今晚澳门开奖号码澳门今晚开彩结果 | 澳门大三巴图片| 溪门精准一肖一马| 新澳门2024年正版免费公开| 体育建筑专业| 澳门管家婆100中奖| 鬼谷子免费资料大正版全精准| 长津湖免费观看高清完整版| 2020年澳门正版资料大全2020 | 2024澳门精准正版资料大全最新| 管家婆一肖一码100中奖网站| 香港综合资料全年篇| 归路全集在线观看高清完整版电视剧| 77727一桶金高手论坛|