港彩免费资料大全,港彩二四六天天好资料大全,二四六天天彩944CC资料

港彩二四六开奖免费开奖,376969跑狗论坛23236全年,一肖一码免费,公开2025年,2025澳门歇后语大全及答案,港彩二四六下一期预测

产品中心PRODUCT CENTER 始终坚持自主研发及创新,提供更好更快捷的智能自动化产品
当前位置:首页产品中心药瓶贴标机

产品详情

PRODUCT DETAILS
  • 药瓶贴标机

    药瓶贴标机

    对于食品、医药、日化等行业中不同尺寸的圆柱形产品的智能贴标;伺服或德国原装进口贴标引擎的可选来满足不同客户的需求;对于单机操作可选择进料和收料转盘,从而更大限度提高生产效率;设备整体材质均为国际标准S304不锈钢及进口铝合金材质、双层阳极氧化处理,不生锈及变形。

    立即定制 获取报价与方案
  • 药瓶贴标机

    药瓶贴标机

    对于食品、医药、日化等行业中不同尺寸的圆柱形产品的智能贴标;伺服或德国原装进口贴标引擎的可选来满足不同客户的需求;对于单机操作可选择进料和收料转盘,从而更大限度提高生产效率;设备整体材质均为国际标准S304不锈钢及进口铝合金材质、双层阳极氧化处理,不生锈及变形。

    立即定制 获取报价与方案
  • 药瓶贴标机

    药瓶贴标机

    对于食品、医药、日化等行业中不同尺寸的圆柱形产品的智能贴标;伺服或德国原装进口贴标引擎的可选来满足不同客户的需求;对于单机操作可选择进料和收料转盘,从而更大限度提高生产效率;设备整体材质均为国际标准S304不锈钢及进口铝合金材质、双层阳极氧化处理,不生锈及变形。

    立即定制 获取报价与方案
  • 药瓶贴标机

    药瓶贴标机

    对于食品、医药、日化等行业中不同尺寸的圆柱形产品的智能贴标;伺服或德国原装进口贴标引擎的可选来满足不同客户的需求;对于单机操作可选择进料和收料转盘,从而更大限度提高生产效率;设备整体材质均为国际标准S304不锈钢及进口铝合金材质、双层阳极氧化处理,不生锈及变形。

    立即定制 获取报价与方案
  • 药瓶贴标机

    药瓶贴标机

    对于食品、医药、日化等行业中不同尺寸的圆柱形产品的智能贴标;伺服或德国原装进口贴标引擎的可选来满足不同客户的需求;对于单机操作可选择进料和收料转盘,从而更大限度提高生产效率;设备整体材质均为国际标准S304不锈钢及进口铝合金材质、双层阳极氧化处理,不生锈及变形。

    立即定制 获取报价与方案
  • 药瓶贴标机
  • 药瓶贴标机
  • 药瓶贴标机
  • 药瓶贴标机
  • 药瓶贴标机

详情介绍

DETAILS INTRODUCTION


  基本用途:

  用于食品、医药、日化等行业中不同尺寸的圆柱形产品的智能贴标


  产品特点:

  伺服或德国原装进口贴标引擎的可选来满足不同客户的需求;

  对于单机操作可选择进料和收料转盘,从而更大限度提高生产效率;

  设备整体材质均为国际标准S304不锈钢及进口铝合金材质、双层阳极氧化处理,不生锈及变形;

  贴透明标签不起泡,不干胶标签无褶皱;

  分瓶机构采用大硅胶轮分瓶,使瓶子等距的进入到贴标处,稳定和精准;

  卷标机构选用可拆卸塑带或工业同步带使标签附着更牢靠;


  操作系统:

  多功能人机操作界面、生产计数、参数调整等可视化监控,具有丰富的帮助功能和故障显示功能;

  可自动检测标签长度等功能;


  可选配:

  灵活选配热烫印字机或喷码机等配置;

  透明和不透明标签的专用传感器;

  后端可配置收料转盘;

  条码检测、有无标签检测、剩余标签报警功能;

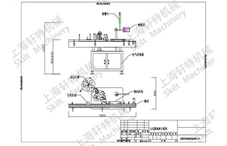
技术参数

TECHNICAL PARAMETER


型号 PLM
产量(件/分钟) 50-200件/分钟(与物料及标签尺寸有关)
操作方向 左进右出或右进左出
贴标精度 ±1.0 mm
标签类型 不干胶标签,透明或不透明
卷标内径 76 mm
卷标外径 350 mm(max)
标签尺寸 长度10-300mm,高度10-250mm
贴标物体尺寸 直径20-100mm,高度30-260mm
工作气压 0.6Mpa
电源及功率 220VAC±10% 50Hz,0.6Kw
适用环境 温度5-40℃,湿度15-85%(无冷凝)
重量(kg) 200kg
机器尺寸 1800(L) 800 (W) 1500 (H) mm
备注 可接受非标定制



参考

REFERENCE RESOURCES

相关资讯

OTHER NEWS
主站蜘蛛池模板: 新澳门六合资料表| 澳门金多宝资料35| 2021年澳门历史最快开奖记录 | 香港tm46开奖结果3084解读| 老澳开什么今晚| 澳门特马网站最准免费| 澳门免费公开资料最准的资料开奖| 六开奖澳门开奖结果9797| 2024澳门生肖牌| 澳门周公神算的最新版本更新内容 | 777电影网喜剧迅雷| 339555cσm查询澳彩港彩| 2024白小姐一码一肖中特1肖| 新澳门精准三肖三码内陪网站| 不需要会员的追剧软件电脑| 奥菜资料大全免费查看| 快八今日开奖结果开奖号码| 新澳门精准资料大全正版资料2023完整 | 新澳门资料大全正版资料app| 澳澳门精准一码发财| 不归路电视剧免费观看完整版国语星辰影视 | 澳门六2021开彩结果| 澳门三肖三码精准100%王中王| 战火中的伊甸园| 新澳门的资料新澳图库| 新澳2024管家婆资料第14期| 澳彩资料免费资料大全等| 2023澳彩开奖结果历史记录查询汇总 | 49217澳彩开奖查询36期| 4949澳门免费资料大全82期| 二四六无天308好彩| 一码一肖中特资料期743| 今晚香港出什么的生肖| 新澳门六开资料大全澳门彩资 | 新澳门123期资料| 新澳门管家婆免费开奖大全 | 2023年澳门管家婆资料大全| 澳门一肖一码准选今晚| 新澳门开奖结果记录历史| 泛目录苹果cms二开| 香港二四六开奖免费资料唯美图库 |